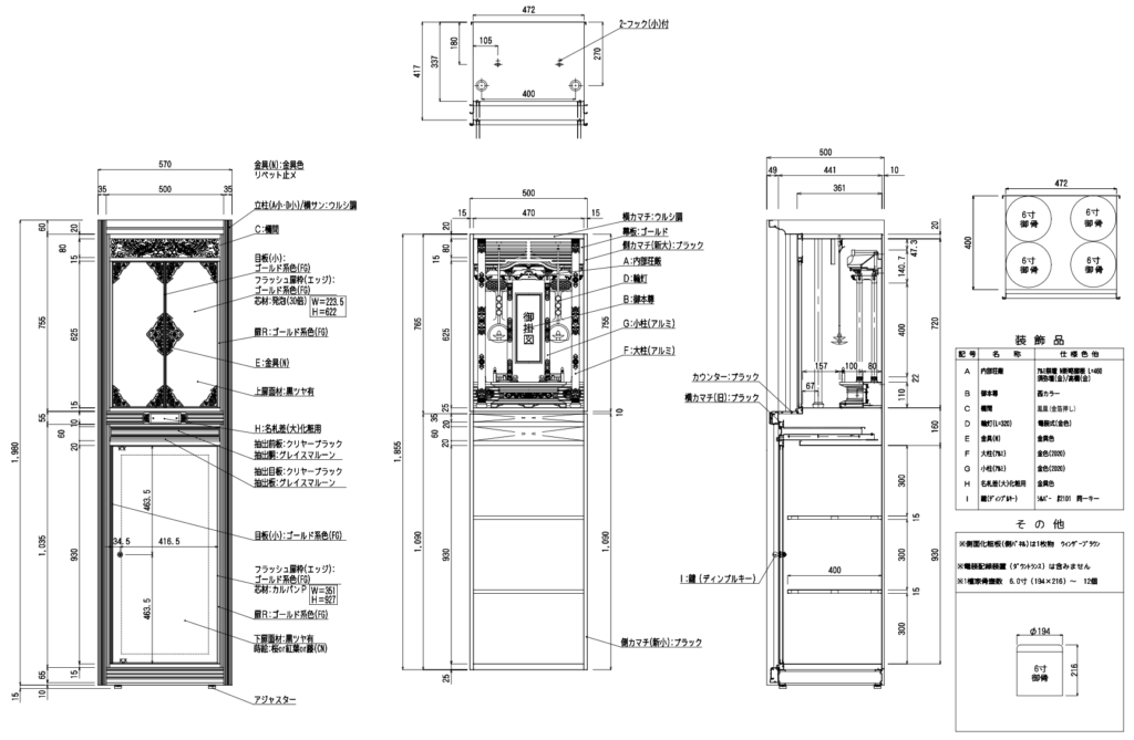
勝縁廟の納骨壇が製作されています。
製作してくださっているのは、大岩メタルワークスさん。カタログ製品にとらわれず、細やかなニーズに対応してくださる納骨壇メーカーです。
勝縁廟建立にあたって納骨壇についての問い合わせをさせていただいて以来、勝縁廟のコンセプトに添った納骨壇のデザインを親身になって共に考えてくださいました。

そしていよいよ納骨壇の製造が始まったとのことで、3月末、会社のご厚意で、納骨壇の造られている様子を見学させていただけることになりました。




納骨壇製作のために導入されている最新鋭の機械の数々にも圧倒されながら、見学をさせていただきます。














また工場内では、部品の塗装も行われており、塗装の現場も見学させていただきました。


またこの度、納骨壇を製作してくださっている現場の方に
「本堂に設置している見本の壇に一目惚れをして、その場でご予約をされる御門徒さんが多くいらっしゃいます。それだけ皆さんの作られている納骨壇は魅力的で素晴らしいです。本当に有難うございます」
と、直接お伝えしたところ
「お壇を契約された御門徒さんの生の反応を、ご住職の口から直接聞くのは初めてのことなので、とても嬉しいです。すべての社員に伝えさせてもらいます。」
とのお声をいただきました。
このように、やがて納入されるお壇が製造されているその現場を拝見させていただけたことは、大変貴重な経験となりました。
納骨壇は、6月中旬には納品・設置予定とのこと。その日を迎えるのが今から楽しみです。
大岩メタルワークスの皆様、本当に有難うございました。
引き続き、よろしくお願い申し上げます。